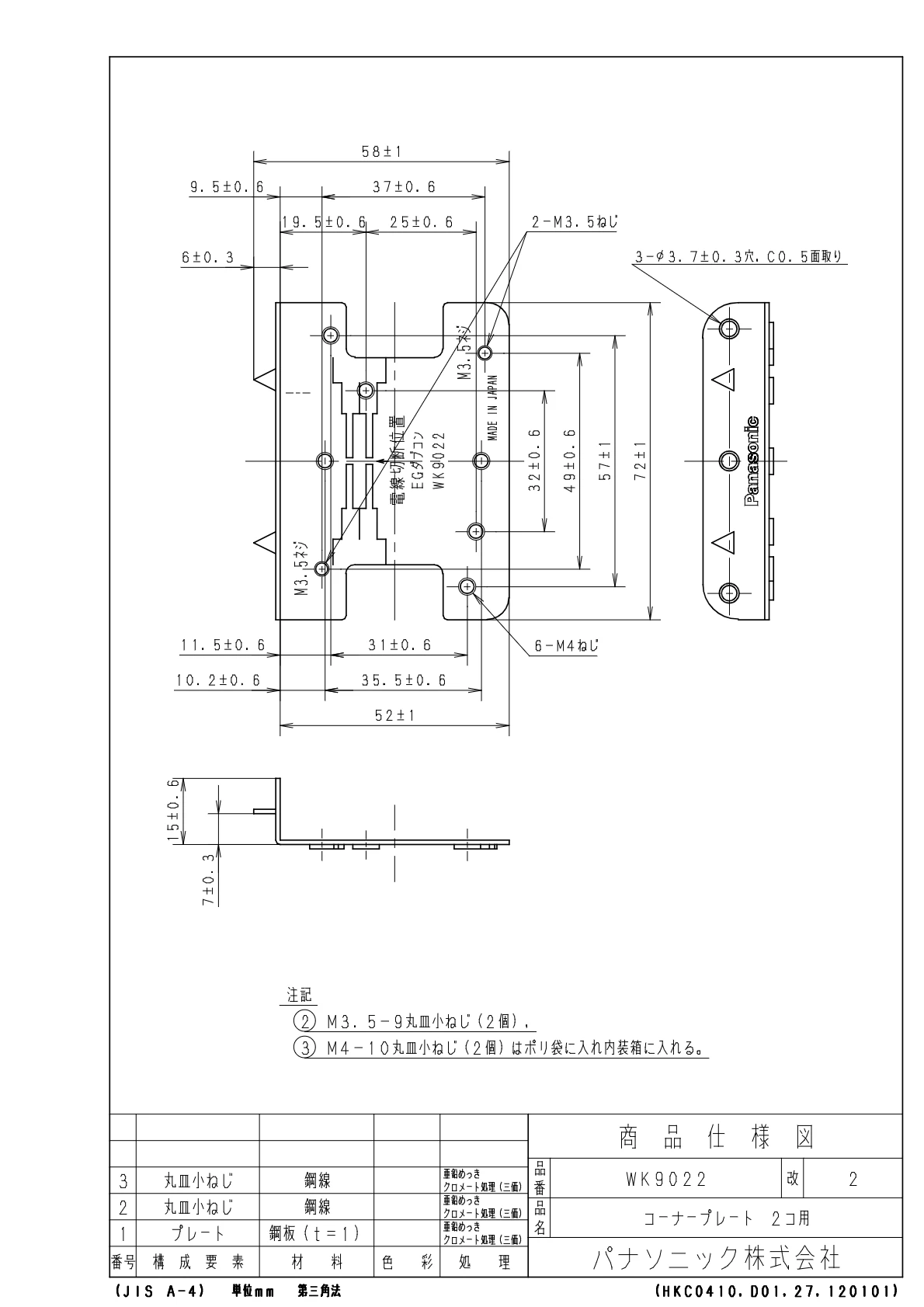
WK9022 コーナープレート2コ用
¥140
税込
加算ポイント:1
メーカー:パナソニック(panasonic)
型番: WK9022
JAN: 4902710634383
関連カテゴリ
商品詳細
品番:WK9022品名:コーナープレート2コ用





_1.webp)

