MOYU-03C12B 誘導灯リニューアルプレート B級天井直付用(TK321C 代替品)蛍光灯器具(31)
¥26,532
税込
加算ポイント:241
メーカー:株式会社ヤブシタ
型番: MOYU-03C12B
JAN: https://www.yabushita-kikai.co.jp/
関連カテゴリ
- 誘導灯(非常灯) > 誘導灯リニューアル対応プレート > 天井直付用 > 三菱電機
商品詳細
※メーカーから当店に入荷する際、送料が発生するため商品単価に加算させていただいております。
複数ご注文いただいた際は
1点分の送料に変更させていただきます。
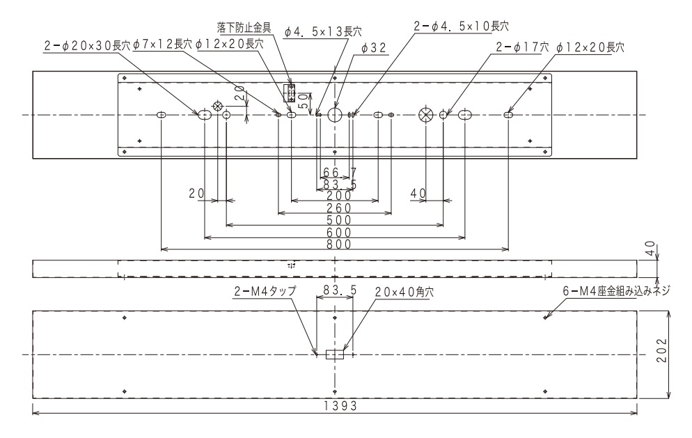
株式会社ヤブシタ製
品番:MOYU-03C12B
本体:溶融亜鉛メッキ鋼板
カバー:鋼板/白色仕上げ
塗装色:マンセルNo.N9.4
質量:3.8kg
鋼板厚さ:0.8mm
適合誘導灯:KSH2951B/KSH2951HB/KSH2962B/KSH2962HB/
KSH4951B/KSH4951HB/KSH4962B/KSH4962HB/
KST2951B/KST2962B/KST4951B/KST4962B
定価には税、運賃、取付工事費は含まれておりません。







