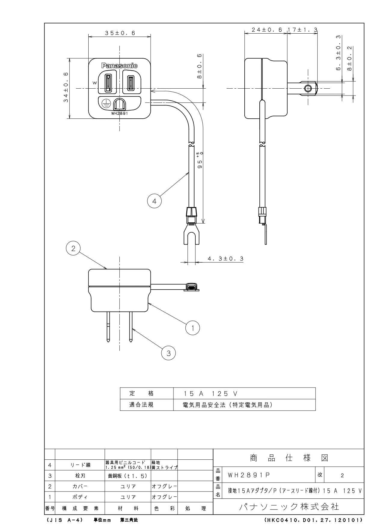
WH2891P 接地15Aアダプター (アースリード線付)/P
¥835
税込
加算ポイント:8
メーカー:パナソニック(panasonic)
型番: WH2891P
JAN: 4989602297468
商品詳細
アースリード線付15A
125V
接地極付キャップを持ったOA機器が、既設の接地極なしのコンセントでもご使用になれます。
物が当たって抜け落ちないように、薄型に、プレート面からの突出を少なくしています。





_1.webp)

