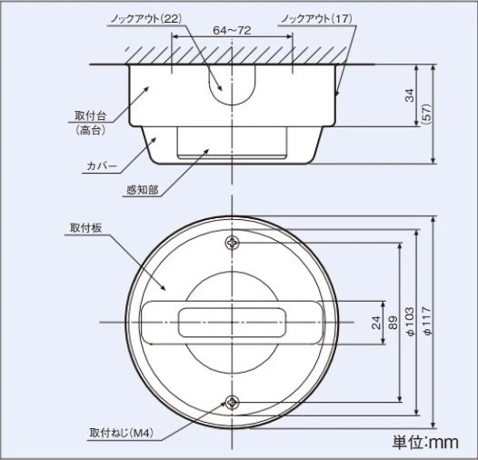
[受注生産品]27021-5-1-080 定温式スポット型感知器(露出型)作動温度 80℃ 低温用
¥7,865
税込
加算ポイント:72
メーカー:ホーチキ(HOCHIKI)
型番: 27021-5-1-080

![[受注生産品]27021-5-1-080 定温式スポット型感知器(露出型)作動温度 80℃ 低温用](/html/upload/save_image/27021-5-1.webp)




